Loader

ADI 60610 Single Point LOAD CELL - 600GM

0 Orders 0 Wish listed

₹1,600.00

Qty
Total price:
  ₹1,600.00

Detail Description

ADI 60610 Single Point LOAD CELL - 600GM


Capacity0.6 KG
BrandADI
MaterialAluminum
ApplicationJewellery Scale
Model60610
FeaturesLow Profile
Output Sensitivity(FS)2.0 +/- 0.1 mV/V
Creep Error (30 minutes)+/- 0.03
Temperature Effect on Zero+/- 0.002
Temperature Effect on Output+/- 0.0015
Zero balance+/- 5% FS
Maximum Safe Overload150% FS
Ultimate Safe Overload200% FS
Recommended Excitation Voltage10 to 12V DC
Maximum Excitation Voltage15V DC
Input Resistance420 +/-15 Ohms
Output Resistance350+/-3 Ohms
Insulation resistance at 50V DC>= 1000 M Ohm
HSN CODE90318000
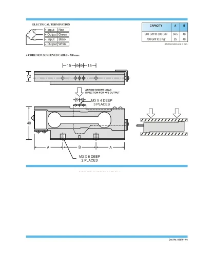
Features: It is available from 100 Gmf. to 600Gmf.capacity.This is very much suited for precission jewellery scale applications.This cell is supplied with all mounting hardwares with over and under load protecting bracket.Model: 60610
Capacity: 600GM


THIS PRICE FOR 600GM LOADCELL

Miniature Load Cell

Model: 60610
Capacity: 0-100Gmf to 0-2000Gmf
Load Direction: Compression only
Type: Miniature Load Cell,Single Point Load Cell,Off Center Load Cell,Bending Beam Load Cell,Jewelery Load Cell
Industries
  1. Weighing
  2. Textile
  3. Batch Weigh
  4. Bagging Machinery's
Application
  1. Bag Weighing Machine
  2. Bench Scale
  3. Check Weighing
  4. Counting Scale
  5. Medical Instrumentation
  6. Postal Scale
  7. Precision Jewelery Scale
  8. Small Bagging Machines
  9. Thread Tension Measurement
Description: 60610 is strain gage based load cell with temperature compensated range of 0 to 60 Deg.C.It is designed for low eccentric load sensitivity for 120 mm dia.platter.This is constructed from aluminum alloy and is light weight suitable for portable scales.Features: It is available from 100 Gmf. to 2000 Gmf.capacity.This is very much suited for precision jewelery scale applications.This cell is supplied with all mounting hard wares with over and under load protecting bracket.


No review given yet!

Fast Delivery all across the country
Safe Payment
7 Days Return Policy
100% Authentic Products

More from the store

View All
-10%

Ss Weight - 200g - F1 Class COMPITIBLE

₹1,500.00 ₹1,350.00

-10%

SS Weight Box E2 Class

₹40,000.00 ₹36,000.00

-10%

Power Adapter with Cable

₹799.00 ₹719.10

-10%

Digital Crane Scale with Hook

₹15,000.00 ₹13,500.00

-10%

Digital Hanging Crane Scale

₹15,000.00 ₹13,500.00

Similar products

ADI 60610 Single Point LOAD CELL - 600GM
₹1,600.00 ₹0.00
₹1,600.00
1600